熱門關鍵詞: 聯測儀表 電磁流量計 ph計 無紙記錄儀 壓力變送器 信號隔離器 超聲波液位計
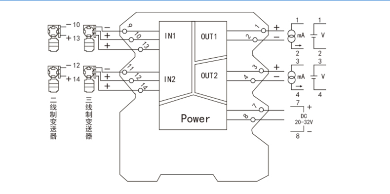
信號隔離器是一種信號隔離裝置,將輸入單路或雙路電流或電壓信號,變送輸出隔離的單路或雙路線性的電流或電壓信號,并提高輸入、輸出、電源之間的電氣隔離性能。
18767163200
咨詢熱線
首頁 電磁流量計 無紙記錄儀 pH/ORP測量儀 超聲波液位計 新聞資訊 聯系我們 網站地圖
微信掃描報價